In May, we received an inquiry for a traction cargo elevator from Brazil.
The client is mainly engaged in solar energy and small household appliances. This year, the factory was expanded and the business increased. Therefore, they wanted to purchase an elevator with a right-angle door opening. Because many domestic suppliers cannot provide right-angle door opening, we have done similar cases before.

Customer Requirements:
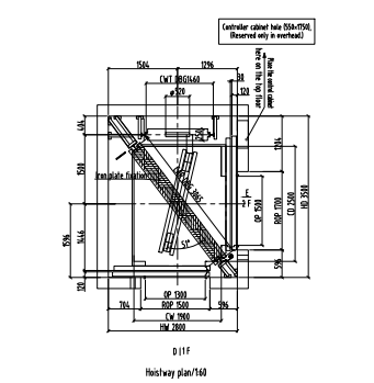
1.Shaft Dimensions: 2800 x 3500
2.Load capacity: 2000 kg
3.Lift Height: 4 meters
4.Door Opening: 90° degree direction
Demand analysis and professional solutions
After receiving the inquiry, our sales and technical teams responded immediately and quickly developed a solution based on the customer’s on-site requirements and measurements.
The customer’s initial width requirement was 2500mm, to be increased to 2800mm. There were no depth restrictions. After we provided a first draft of the dimensions based on the initial dimensions, the customer was dissatisfied and requested an increase.
Traction elevator dimensions grow proportionally. This elevator has a right-angle door structure. Excessive deviations in the car’s width and depth would affect structural stability. Due to the customer’s width restriction, increasing the width, and therefore the depth, was impossible. We implemented the safest possible proportions and, after technical simulations, developed the final solution:

Structure and Function:
1. overhead height need add to: 4800mm – Traction cargo elevators have strict overhead requirements. The customer’s top height was insufficient, so needed to be raised to meet the requirements of the elevator’s structural requirements.
2. Door Opening: 90° side-opening, only side-opening automatic doors are available. This ensures structural stability and allows for direct and efficient connection between the elevator doors and the side aisles, significantly reducing turning and movement space.
3. Safety: Safety gear, buffer, speed limiter, ARD emergency power supply.
4. Optional: Facial recognition and IC card functions are available to facilitate elevator access control.
From inquiry to trust: our service process
Efficient response: After receiving the inquiry, we will give an initial response within 1 hour and ask in detail about the specific parameters and application scenarios.

1. Proposal and Quote: Within 24 hours of receiving the specifications, we will provide detailed product CAD drawings and technical specifications.
2. Drawing modifications
3. Customer payment
4. We will arrange for the construction of the concrete shaft according to our civil engineering drawings
5. We will arrange production
6. Inspection


7.Packing and loading


8.Installation
Summary: Why choose us?
1. Right Angle Experience
2. Installation Service
3. Timely Response, ten years work Experience, and Professional technology